

شاحنة إطفاء هاوو TX رباعية الدفع، سعة 7.5 متر مكعب، مزودة بهيكل هاوو TX بقاعدة عجلات 4700 مم. وهي مجهزة بمحرك ويتشاي WP4.6NQ240E62 وناقل حركة ساينوتروك HW95508STCL. يحتوي الجزء الأمامي من الهيكل العلوي على صندوق معدات لتخزين معدات مكافحة الحرائق الإضافية. يحتوي الجزء الأوسط على خزان مياه من الفولاذ الكربوني سعة 5.5 متر مكعب، وخزان رغوة من الفولاذ المقاوم للصدأ سعة مترين مكعبين. غرفة المضخة الخلفية مجهزة بمضخة حريق CB10/40-LC(BS)، ولوحة تحكم، ومعدات إطفاء، وجهاز مراقبة حريق PL8/32 مثبت أعلى الخزان، وفتحتي صرف صحي مطابقتين للمعايير الأوروبية.
هيكل شاحنة:
HOWO TX, 4x2قدرة العمل:
5500L water +2000L foamقوة المحرك:
240 HP/ WP4.6NQ240E62مضخة الإطفاء:
China CB10/40-LC(BS)تدفق المضخة:
40L/sضغط العمل:
1.0 Mpaجهاز مراقبة الحريق:
China PL8/32مراقبة التدفق:
32 L/sنطاق الشاشة:
Water≥60 m,Foam≥48mال مركبة حماية من الحرائق من طراز Howo ذات 6 عجلات شاحنة إطفاء قتالية رئيسية متوسطة الحجم، كاملة الوظائف، تجمع بين قدرة عالية على الحركة، واحتياطيات وافرة من مواد الإطفاء، وقدرات قتالية متنوعة. أما من حيث القوة، فهي مزودة بمحرك ويتشاي مع ناقل حركة ساينوتروك، مما يوفر قوة هائلة وناقل حركة فعال.
تم تصميم الهيكل العلوي بشكل علمي، ويضم صندوق معدات أماميًا لتخزين معدات مكافحة الحرائق المختلفة بشكل منظم؛ وخزان المياه المركزي وخزان الرغوة مزودان بسعات تخزين مناسبة لمختلف حالات الحرائق؛ وغرفة المضخة الخلفية مجهزة بالكامل بمعدات أساسية لسهولة التشغيل. يتيح جهاز مراقبة الحرائق الموجود أعلى الخزان إخماد الحرائق عن بُعد وبدقة، مما يستجيب بفعالية لمختلف حرائق الفئتين أ و ب.
» 1. الميزات الرئيسية:
★ محرك قوي بقوة 240 حصان، 100000 كم دون مشاكل.
★ كابينة HOWO الجديدة طراز TX، تصميم أوروبي
★ محور تكنولوجيا الإنسان، مناسب للغاية لأفريقيا.
» 2. معلمة المنتج:
|
شاحنة إطفاء رغوية HOWO TX 4x2 |
|||
|
عام |
القدرة على العمل |
خزان مياه سعة 5500 لتر، خزان رغوة سعة 2000 لتر |
|
|
هيكل الشاحنة |
هوو TX240 |
||
|
قوة المحرك |
240 حصان / WP4.6NQ240E62 |
||
|
مضخة حريق |
CB10/40-LC(BS) |
||
|
الهيكل |
نوع محرك الأقراص |
4×2 |
|
|
الانتقال |
ساينوتراك HW95508STCL 8 سرعات، يدوي |
||
|
قاعدة العجلات |
4700 ملم |
||
|
إطار |
295/80R22.5 18PR، 6+1 عجلة |
||
|
مضخة حريق |
نموذج |
CB10/40-LC(BS) |
|
|
ضغط |
1 ميجا باسكال |
||
|
أقصى ضغط عمل |
1.380 ميجا باسكال |
||
|
أقصى ضغط دخول مسموح به |
0.4 ميجا باسكال |
||
|
تدفق |
40 لتر/ثانية |
||
|
أقصى ارتفاع للشفط |
7م |
||
|
السرعة المقدرة |
3300 دورة/دقيقة |
||
|
نسبة السرعة |
1:1.542 |
||
|
خلاط توزيع الماء والرغوة |
نموذج |
PH64-RS |
|
|
نسبة الخلط |
6% |
||
|
نطاق ضغط العمل |
0.6 ~ 1.4 ميجا باسكال |
||
|
نطاق التدفق |
16 ~ 64 لتر/ثانية |
||
|
فئات السوائل الرغوية المناسبة |
الفئة ب |
||
|
مراقب الحرائق |
نموذج |
PL8/32 |
|
|
تدفق |
32 لتر/ثانية |
||
|
ضغط العمل المقدر |
0.8 ميجا باسكال |
||
|
يتراوح |
ماء |
≥ 6 0م |
|
|
رغوة |
≥ 48 مترًا |
||
|
دوران الملعب |
- 45 ~ +70 درجة |
||
|
الدوران الأفقي |
0 ~ 360 درجة |
||
|
إنذار إلكتروني |
إنذار إلكتروني |
LY CJB-100-C24 / بطول 1.2 متر |
|
|
التكوين القياسي |
جميع الملحقات القياسية: خرطوم إطفاء الحرائق، الفلتر، الوصلة، المفتاح، مسدس الماء/الرغوة، مجموعة الأدوات الأساسية، الدليل باللغة الإنجليزية…… |
||
نظام خزان السائل المركزي :
* خزان المياه: سعة 5.5 متر مكعب، مصنوع من الفولاذ الكربوني المعالج داخلياً ضد التآكل، يستخدم لحفظ مياه مكافحة الحرائق.
* خزان الرغوة: سعة 2 متر مكعب، مصنوع من الفولاذ المقاوم للصدأ الأكثر مقاومة للتآكل، ويستخدم لحفظ عامل إطفاء الرغوة.
* إجمالي سعة السائل: 7.5 متر مكعب إجماليًا (محلول الماء والرغوة)، قادر على عمليات مكافحة الحرائق بالرغوة بشكل مستقل أو مشترك.
» Ⅲ. نظام مضخة الحريق :
|
نموذج مضخة الحريق |
ضغط |
أقصى ضغط عمل |
تدفق |
نسبة السرعة |
|
CB10/40-LC(BS) |
1.0 ميجا باسكال |
1.380 ميجا باسكال |
40 لتر/ثانية |
1:1.542 |
لوحة التحكم المتكاملة: تصميم اللوحة بديهي ويدمج:
• دليل مصور: يوضح بوضوح إجراءات تشغيل دائرة المياه، والاحتياطات، ورسم تخطيطي لمبدأ تشغيل مضخة الحريق.
• أجهزة المراقبة: تتضمن مقاييس الضغط، ومقاييس الفراغ، ومقاييس مستوى الرغوة، ومقاييس مستوى المياه، وأجهزة قياس سرعة الدوران، وما إلى ذلك، والتي تعرض حالة تشغيل النظام في الوقت الفعلي.
• أزرار التشغيل: مفاتيح تحكم تقع في موقع مركزي لمفتاح الطاقة الرئيسي، ومضخة التفريغ، وشاشة المستوى، وإضاءة صندوق المعدات، وما إلى ذلك.
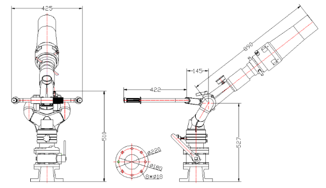
» Ⅲ. نظام مراقبة الحرائق :
| نموذج مراقبة الحرائق | تدفق | يتراوح | الضغط المقدر | دوران الملعب | الدوران الأفقي | وزن |
| PL8/32 | 32 لتر/ثانية |
الماء ≥60 م، رغوة ≥48 م |
0.80 ميجا باسكال |
-45
°
~+70
°
|
0~360 ° | 23 كجم |
» 4 . التصميم الفني:
قسم البحث والتطوير في POWERSTAR للتصميم:
مظهر مخصص بنسبة 100%، تصميم سعة خزان المياه + الرغوة، صندوق تخزين أدوات مكافحة الحرائق، كما يمكن تخصيص حجم الشاحنة بالكامل .
» ثامنًا .اختبار ما قبل الشحن:
قبل تسليم شاحنة إطفاء الرغوة HOWO 4X2 7500L من مصنعنا، أجرينا فحصًا للمصنع لشاحنة الإطفاء، والذي تضمن اختبار المطر، واختبار أداء مضخة الحريق وجهاز مراقبة الحريق، بالإضافة إلى الفحص النهائي لعملية اللحام والطلاء والجوانب الأخرى.
» ٧. التطبيقات: